If you have done the full
stage 2 mod you will now have a very different camera to
the original vesta. Possible exposure times will have
gone up by a factor of 10000 resulting in a similar
increase in sensitivity. It will be well worth you time
to consider the practical aspects of housing the camera.
Try using black paint or insulation tape around the ccd
to minimise internal reflections (this will be especially
important if you are using a focal reducer).
 |
If you haven't already removed the led
from the camera then now is definitely the time; also why
not get rid of the mic.
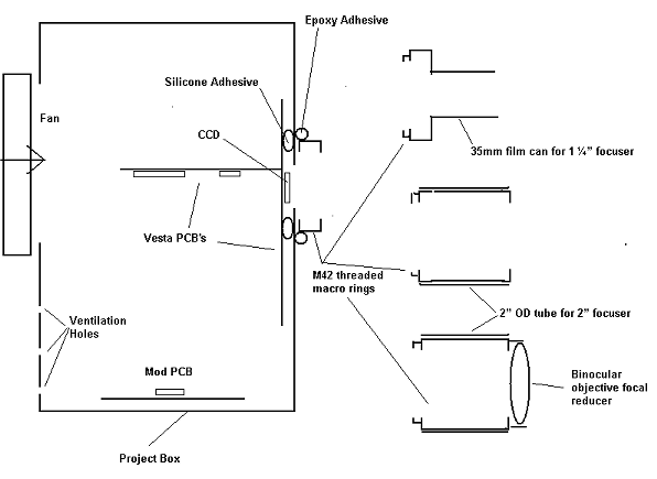
Cooling is going to be critical for this camera. The best
solution would be to remove the ccd and mount on a
peltier cooler inside an air tight chamber behind a good
quality optical window. However I have found the camera
to work well at 4'C. This kind of temperatures are very
easily achieved on English winter nights. Adding a fan to
the camera will vastly improve its performance as will
taking the circuit boards and mounting in a project box.
A schematic of my camera is below.
 |
The m42 macro adaptors are available for
next to nothing from second hand photographic shops.
Using this thread type will give access to a huge
selection of cheap quality lenses from the same shops.
Also as the vesta has a very small ¼ chip the field of
view will be very small unless a focal reducer is used.
By fixing a binocular objective to another m42 ring a good reducer can be made for the camera.
|